ПРОМСИТЕХ — российская компания, разработчик, производитель и дистрибьютор компонентов для промышленной автоматизации.

Описание

  • Описание
  • Отличительные особенности
  • Применение
  • Краткие характеристики
  • Документация

Цилиндро-конический компактный мотор-редуктор INNORED серии MC представляет собой надежное и эффективное решение для увеличения крутящего момента за счет снижения скорости вращения вала с низким уровнем шума и высоким КПД.

Благодаря своим компактным размерам, они находят применение в устройствах, где критично значение компактности и легкости.

  • Эстетичный внешний вид
  • Малые габаритные размеры (могут поставляться без клеммной коробки для уменьшения габарита)
  • Низкий уровень шума, по сравнению с общепромышленным исполнением
  • Широкий ряд передаточных чисел (передаточное число может быть увеличено в 10 раз с помощью дополнительной предступени)
  • Высокий КПД
  • Возможность регулировки оборотов
  • Конденсатор в комплекте — может быть размещен внутри клеммной коробки и вне нее.
  • kondensator (1).png
  • Мешалки (сыроварка)
  • Конвейеры
  • Дозаторы
  • Фасовочные автоматы
  • Чеквейеры (проверка веса)

Краткие характеристики редукторов

Тип редуктора

Модель

Диаметр выходного вала

Размер входного фланца

Передаточные числа

Номинальный выходной момент

Размеры

Конический с полым валом

4GN…RC

15 мм

80х80мм

3…180

8 Нм

Размеры

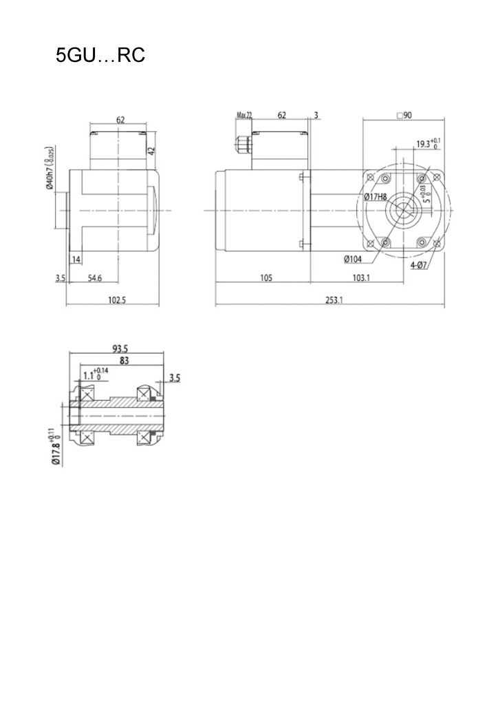
5GU…RC

17 мм

90х90мм

20 Нм

Размеры

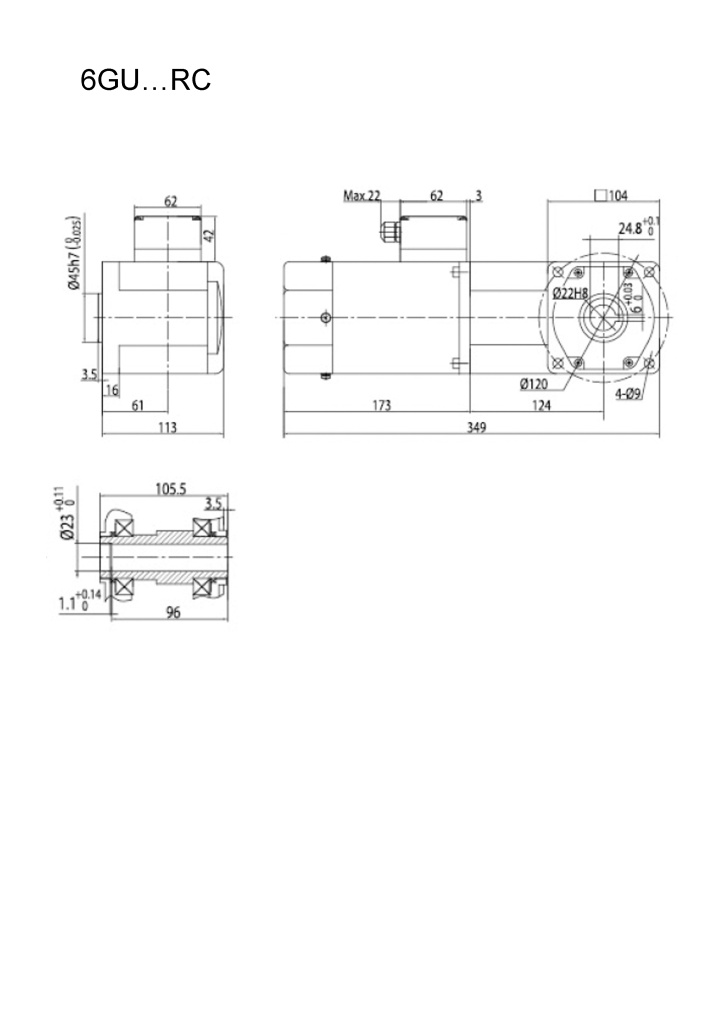
6GU…RC

20 мм

104х104мм

40 Нм

Размеры

Конический с выступающим валом

4GN…RT

12 мм

80х80мм

8 Нм

Размеры

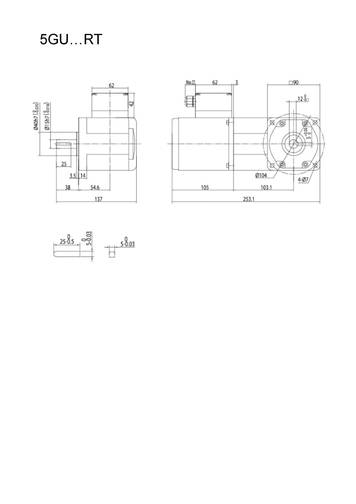
5GU…RT

15 мм

90х90мм

20 Нм

Размеры

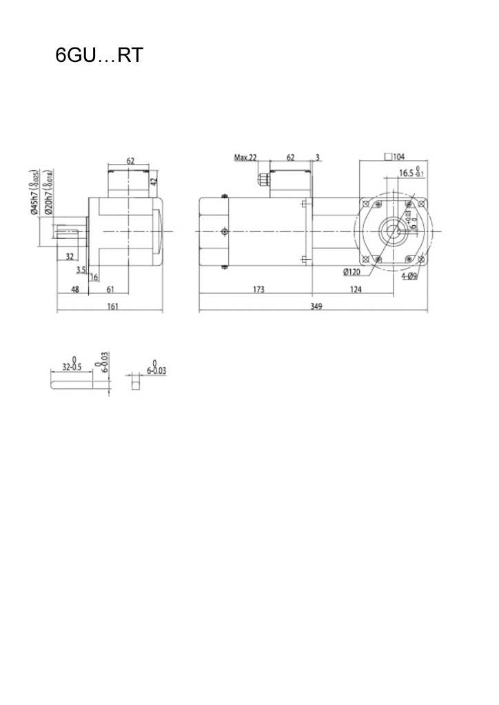
6GU…RT

22 мм

104х104мм

40 Нм

Размеры

Цилиндрическая предступень

4GN10XK

вал-шестерня

80х80мм

10

8 Нм

Размеры

5GN10X

90х90мм

10 Нм

GU10X

20 Нм


Краткие характеристики электродвигателей

Модель

Мощность

Напряжение питания

Номинальный ток

Скорость

Крутящий момент

Размеры

MC2IK6

6 Вт

1 фаза 220В

0,13А

1200 об/мин

0,04 Нм

Размеры

MC3IK15

15 Вт

1 фаза 220В

0,17А

1250 об/мин

0,13 Нм

Размеры

MC4IK25

25 Вт

1 фаза 220В

0,24А

1250 об/мин

0,18 Нм

Размеры

3 фазы 220/380В

0,26А/0,15А

1350 об/мин

MC5IK40

40 Вт

1 фаза 220В

0,35А

1350 об/мин

0,29 Нм

Размеры

3 фазы 220/380В

0,32А/0,18А

1350 об/мин

0,28 Нм

MC5IK60

60 Вт

1 фаза 220В

0,50А

1350 об/мин

0,42 Нм

Размеры

3 фазы 220/380В

0,38А/0,22А

1300 об/мин

0,46 Нм

MC5IK90

90 Вт

1 фаза 220В

0,64А

1350 об/мин

0,64 Нм

Размеры

3 фазы 220/380В

0,74А/0,42А

1350 об/мин

0,62 Нм

MC5IK120

120 Вт

1 фаза 220В

0,87А

1350 об/мин

0,87Нм

Размеры

3 фазы 220/380В

0,81А/0,46А

1350 об/мин

MC6IK200

200 Вт

1 фаза 220В

1,31А

1350 об/мин

1,28Нм

Размеры

3 фазы 220/380В

1,17А/0,66А

1350 об/мин

1,55Нм

MC7IK400

400 Вт

3 фазы 220/380В

2,2А/1,2А

1350 об/мин

2,7Нм

Размеры

Остались вопросы?

Мы свяжемся с вами в ближайшее время

Изображение оборудования
Подпишитесь на новости

Укажите, кем Вы являетесь:

Получить каталог

Укажите адрес электронной почты, куда мы направим каталог

Укажите, кем Вы являетесь:

Подпишитесь на новости

Укажите, кем Вы являетесь:

Обратный звонок

Заполните данные поля, и мы с Вами свяжемся в течение дня.

Запрос на консультацию

Связаться с представителем

Стать дилером

Если Вы - руководитель компании, занимающейся автоматизацией и/или продажей компонентов для автоматизации как основным видом деятельности и желаете обсудить вопрос торгового партнерства (представлять продукты собственных марок Промситех (INNOVARI, INNORED, INNOVERT, INNOLEVEL, INNOCONT, а также Baumer и Autonics)в своем регионе, просьба заполнить данный опросный лист

Он будет рассмотрен отделом регионального развития Промситех в течение 1-2 дней. Мы свяжемся с Вами по указанным контактным данным для обсуждения этого вопроса (Радмила Цыплина, r.tsiplina@promsytex.ru)

Заполнение опросного листа займет 10-20 минут. Опросный лист нужен для получения общего представления о деятельности Вашей фирмы для принятия решения о дальнейшей совместной работе.

Направление деятельности, краткое описание бизнеса Ассортимент товаров и услуг(продажи, инжиниринг, производство и др. , примерно в какой пропорции распределен оборот между видами деятельности)

Какой процент от Вашего оборота (из 100%) у Вас пришлось в прошлом году на область (край, республика), в которой находится Ваше предприятие?

Какой оборот у Вашей компании за прошлый год?

Какие средства Вы используете для расширения рынка сбыта и привлечения новых заказчиков?(инвестиции в рекламу, интернет, активные продажи по телефону, поездки к клиентам). Опишите основное направление активности

С какими фирмами (поставщиками, брэндами) по частотному приводу, мотор-редукторам, датчикам сотрудничаете и как долго? Сколько у Вас основных поставщиков продукции?

Есть ли собственные разработки (краткое описание)?

Количество сотрудников \ из них продавцов \ из них инженеров в фирме ?

Имеет ли управляющий (директор) техническое образование?

Есть ли у Вашего предприятия филиалы в других регионах РФ? (если есть, то в каких)

В каких отраслях промышленности Вы наиболее активны?

Какие дополнительные (к продаже/проекту) услуги Вы оказываете клиентам? (пуско-наладка, доставка, консультации/техподдержка, предоставление на испытания и т.д.) Предоставляете ли Вы клиентам особые условия по оплате (отсрочки платежа и т.п.)?

Укажите интересующие Вас товарные группы. Указываете только те, которыми планируете заниматься (продвигать) в качестве основных.

Готовы ли Вы освоить Личный кабинет дилера для самостоятельной работы с клиентом после заключения договора в течении 3-4 дней?

Оставить запрос

Заполните данные поля и мы с Вами свяжемся в течение нескольких минут

По вопросу о:

Учебный центр | Курсы и вебинары

Узнать о поступлении

Войти в личный кабинет
Спасибо за заявку!

Ваша заявка была успешно отправлена. Мы с Вами свяжемся в течение дня.

Спасибо за заявку!

Ваша заявка была успешно отправлена. Мы с Вами свяжемся в течение дня.

Спасибо за обращение!

Ваш запрос был успешно отправлен.

Спасибо за заявку!

Каталог был отправлен на указанную электронную почту.

Спасибо за заявку!

Ваша заявка была успешно отправлена. Мы с Вами свяжемся в ближайшее время.

Спасибо за заявку!

Она будет рассмотрена Дилерским отделом ПРОМСИТЕХ в течение 1-2 дней. Мы свяжемся с Вами по указанным контактным данным для обсуждения этого вопроса (Радмила Цыплина, Руководитель дилерского отдела, r.tsiplina@promsytex.ru)

Спасибо!

Спасибо за использование лицензионного ПО InnoControl!

Рады, что вы с нами!

Мы уже отбираем для вас самое интересное, чтобы вы ничего не пропустили.